»
Guest:
Register
|
Login
|
会员列表
AbyssalSwamp
»
地方政策申报
» 关于肇庆市2023年广东省先进制造业发展专项资金(企业技术改造)拟安排项目计划的公示
Previous thread
Next thread
Title: 关于肇庆市2023年广东省先进制造业发展专项资金(企业技术改造)拟安排项目计划的公示
Phoenix001
CAFFZ前员工
UID 181234
Digest
2
Points 13
Posts 1490
码币MB 3003 Code
黄金 0 Catty
钻石 0 Pellet
Permissions 1
Register 2019-5-27
Status offline
关于肇庆市2023年广东省先进制造业发展专项资金(企业技术改造)拟安排项目计划的公示
http://www.zhaoqing.gov.cn/zqgxj ... t_2820499.html#4059
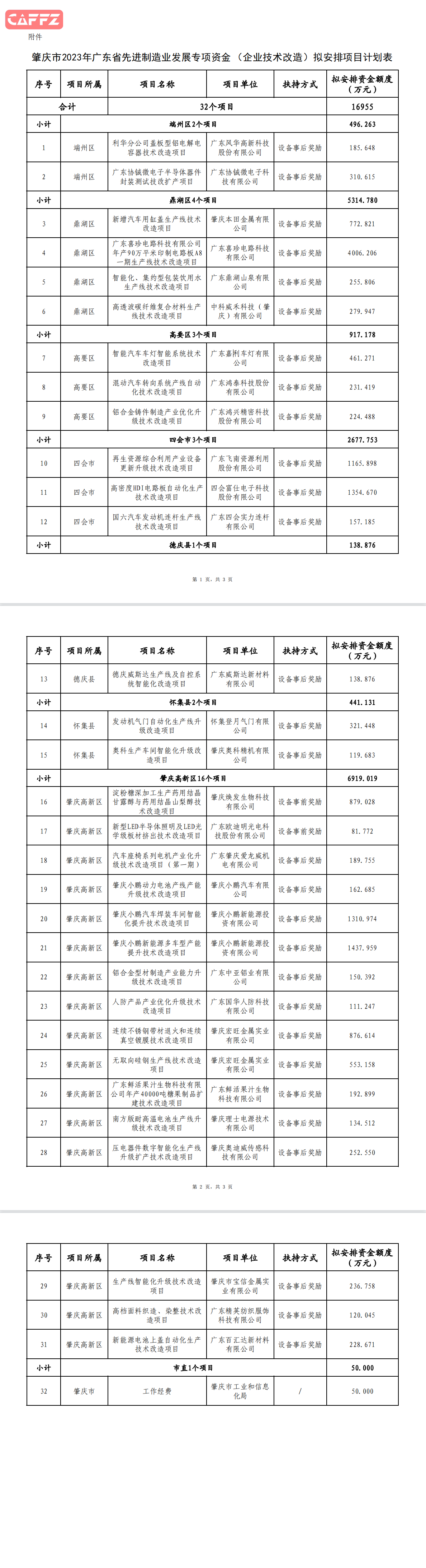
关于肇庆市2023年广东省先进制造业发展专项资金(企业技术改造)拟安排项目计划的公示 发布日期:2023-03-09 浏览次数:1123 根据《广东省工业和信息化厅关于下达2023年广东省先进制造业发展专项资金(企业技术改造)项目计划的通知》(粤工信技改函〔2022〕14号),省下达我市2023年省级先进制造业发展专项资金(企业技术改造)安排额度16955万元,该通知同时明确“优先保障已入库的2019年度已获支持的符合条件的设备事前奖励技术改造项目资金需求;设备事后奖励结合本市入库项目轻重缓急综合排序情况选取项目按新设备购置额15-16%予以支持,每个地市保持奖励比例一致”。 我局依据粤工信技改函〔2022〕14号规定,对“淀粉糖深加工生产药用结晶甘露醇与药用结晶山梨醇技术改造项目”和“新型LED半导体照明及LED光学级板材挤出技术改造项目”2个设备事前奖励入库项目资金需求优先保障,共安排奖励资金960.8万元;在45个设备事后奖励入库项目中按轻重缓急综合排序情况选取29个项目以新设备购置额15.012%的奖励比例安排额度,共安排奖励资金15944.2万元;按照专项资金管理办法有关规定计提工作经费50万元,以上合计16955万元。 现将项目资金拟安排计划予以公示,具体见《肇庆市2023年广东省先进制造业发展专项资金(企业技术改造)拟安排项目计划表》,公示期自2023年3月9日至2023年3月15日,共7日。公示期间如有异议,请以书面形式向肇庆市工业和信息化局反映。以个人名义反映情况的,请提供真实姓名、联系方式和反映事项书面证明材料等;以单位名义反映情况的,请提供真实单位名称(加盖公章)、联系人、联系方式和反映事项书面证明材料等。 联系单位:肇庆市工业和信息化局 业务联系电话:0758-2237449 监督电话:0758-2230604 地 址:肇庆市城中路49号市府大院第六幢 邮 编:526040 附件:肇庆市2023年广东省先进制造业发展专项资金(企业技术改造)拟安排项目计划表.pdf 肇庆市工业和信息化局 2023年3月9日
Att
:
abbr_制造业发展专项资金 (企业技术改造)拟安排项目计划表.pdf
(2023-3-30 18:06, 110.56 K)
Number of times this attachment has been downloaded 4
Image attachment
:
333.png
(2023-3-30 18:06, 1.03 M)
2023-3-30 18:06
#1
Printable version
|
Recommend to a friend
|
Subscribe to topic
|
Favorite topic
AbyssalSwamp jumps to ...
众神遗迹 Ruins of the Gods
+++ProductsCommunication
> ContentManagementSystem
> Internet of Things(System)
> DigitalFactorySystem-基于229项目
> EquipmentSupply
> SmartFarmSystem-CA226智慧农场
> 果苗交易
> 农业交易信息
> 发酵化肥与土壤改良
> 爬取数据系统
> 协同工作OA系统
> 车队调度与人员管理系统
> 温湿度气体设备控制系统
> 物联网通讯网关
> 验室管理系统LIMS
> 程序代码二次开发
> 酒店管理系统
> 游戏开发(Future&Retro)
> 医疗诊所病历管理与挂号(康养服务)系统
> 接包分包资源Contractor
> WEB-CMS系统
> 微信小程序与公众号开发
> 邮件群发系统
> 微信自动化程序
> 点餐系统
> 手机控制(网页)
> AIservice-人工智能应用
> 考勤打卡系统
> 养殖场管理系统
> 仓库管理系统WMS
> PLM产品生命周期管理系统(PDM系统)
> 紫外线灯除臭鞋柜
> 奇思妙想-概念产品设计
> 户外灭蚊器
> 智能口罩
萨尔克岛 Zard Island
> 在水一方
+++Casual
> Case Board(C版)
> 美食交流
> 深圳生活圈
> 教育求学生涯
> 职场人生-Workplace boards
> 广州生活信息
> 新兴生活互助版
> 健身健康知识
亚雷比斯 Arebis Island
沃斯菲塔共和国 Warsfetal Republic - 百科信息
> 心灵补手
> 时光城Picture and Video
> 项目招投标信息
浓雾岛 Misty Islands
拉尔斯帝国LarsEmpire - 项目例案
> 行业创新与生产力Tech
> 帕尼西雅城PaniciaCastle - 创意产品设计
> 薛维斯港PortChevrolet-金融与国际贸易
那可那鲁翼人之国 Naknalu Wings Kingdom - 教程信息
> 古都玛哈亚镇Mahaya Town - 英语教材资源
> 戈黎塔尼港Port of Goritani - 百科文库[Library]
+++海外商务
> NK推荐书籍
> 新索匹格镇 - 组织行为管理学
> 算法程序与云计算
> 藏经阁-例子源代码
> Email-FastSent Sys.
> 克莱因城 - 项目需求发布 Supply chain
> Windows讨论区
> 工业设计、产品设计Board
> 狼穴 Enterprise Developer Discuss
> Dragon's Breath - Volcano龙之息火山
> 铁拳城堡 - 服务器系统架构与数据库讨论
> 咖啡集成
> 出口产品
> 机械装备设计
> Linux使用实例
> 冀罗兽人之国 Orc Land Jilo
亚雷比斯岛 Arebis Island
> 妖精之都亚雷比斯Fairy City Arebis
> 密室
+++专业圈
> 轻工业制品出口
> 智慧物流与仓库管理
> 国际电子商务
> EnglishBorad
+++中国产业研究
> 地方政策申报
> 餐厨具加工出口贸易
> 医疗行业
> 种植行业
> 教育行业研究
> 禽畜养殖行业研究
> 生物化工行业
> 中国国内服务行业
> 纺织品行业
> 中国交通行业
> 电子产业、芯片、单片机
> 软件行业
> 中国装备制造行业
> 健康养生行业
> 房地产行业
> 安全生产、消防
> 石材加工产业
> 中医中药
> 中国汽车行业
+++CAFFZ Company
> 程序设计杂谈
> 市场组MarketingDepartment
> 技术组
> JAVA项目组
> 总部旧图片Company office - Meeting Room
> CompanySystem(S版)
> 股东会议室C-Board
> 项目开发研究公示信息板块
> 大江水库会议室
> 市场部MarketingDepartment(copy)
> Resource
> 行政HR人力资源部
> 单片机&智能硬件设计部
> 冰咆哮外务实施组
> 龙卷风项目组
> Python项目开发部
> C#(sharp) .net 项目开发部
> 人工智能AI产品项目部
> C/C++项目部
> 产品规划部ProductDepartment
> 业务销售部SalesDepartment
> 销售1组
> 销售2组
> 销售3组
> 销售4组
> 销售5组
> 服务器-云系统管理部
> 高级商业事务部AdvancedBusinessDepartment
> 后勤设备管理部
> 投标定单公示
All times are GMT+8, and the current time is 2026-1-10 17:43
Clear informations ->sessions/cookies
-
Contact Us
-
CAFFZ - ZAKE